威尼斯app官网

EN Visit English
联系我们
首页 产品中心全屋五金家居五金卫浴附件淋浴房配件

HF-2324-90° 玻璃连接夹

表面处理:光铬

主要材质:铜

适合玻璃厚度:8-10mm

最大承重:38kg/2只

主要功能:组装淋浴房

产品特点:

特点:多种角度能满足整体淋浴房的组装需求

警告:安装淋浴房时请附上石棉垫

产品介绍

 汇泰龙HF-2324-90° 玻璃连接夹

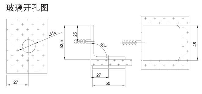
汇泰龙HF-2324-90° 玻璃连接夹开孔图

汇泰龙淋浴房配件系列产品,选材优异,制作精良,全方位满足简易淋浴房的个性化定制服务,让您使用更加安全、放心,让您在沐浴中尽情挥洒自我个性!

安装步骤

内容更新中...
×

在线留言 Online Message

联系人:*
联系电话:*
留言内容:*